Сигма-ИС Армини исп.П "Рубикон"

адаптировано для
Российских условий

на все товары
Описание Сигма-ИС Армини исп.П "Рубикон"
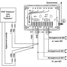
Адресный расширитель Сигма-ИС Армини исп.П "Рубикон" предназначен для подключения к адресному ШС АСБ "Рубикон" безадресных извещателей (ИП, ИО) с выходом типа «сухой контакт» или аналогичными.
Сигма-ИС Армини исп.П "Рубикон" обеспечивает подключение до 2-х безадресных ШС.
Сигма-ИС Армини исп.П "Рубикон" подключаются в АШ (адресный) и используются совместно с ППК “Рубикон” или КА2 “Рубикон.
Сигма-ИС Армини исп.П "Рубикон" отличается корпусом и наличием защиты линий связи устройства (адресный и безадресные ШС) от наведенных импульсных перенапряжений (грозовых, электростатических разрядов и т.п.) в пределах 1 – 2 зон молниезащиты (в соответствии с МЭК 61312-1).
Сигма-ИС Армини исп.П "Рубикон" обеспечивает в неадресном шлейфе:
- постоянный контроль сопротивления шлейфа в двух направлениях
- раздельный контроль до 4-х извещателей
- контроль обрыва и короткого замыкания шлейфа
- работу как с нормально разомкнутыми так и с нормально замкнутыми извещателями.
Сигма-ИС Армини исп.П "Рубикон" позволяет дистанционно задавать:
- значения резисторов контроля шлейфа и каждого извещателя
- время интеграции шлейфа
- режим контроля в каждом направлении (2 раздельно контролируемых извещателя, несколько извещателей с различением сработки одного или 2-ух и более, 1 или несколько извещателей без различения количества сработавших)
- контроль в двух направлениях или в одном
- тип извещателей (НР/НЗ)
Сигма-ИС Армини исп.П "Рубикон" имеет один светодиодный индикатор красного цвета, расположенный под изоляционным покрытием.
Сигма-ИС Армини исп.П "Рубикон"осуществляет постоянный двусторонний обмен данными с контроллером адресного шлейфа, что позволяет:
- контролировать наличие связи
- считывать состояние параметров АР-мини, в том числе значение сопротивления шлейфа в обоих направлениях
- дистанционно задавать основные параметры работы АР-мини (в т.ч. границы сопротивлений шлейфа)
- вне очереди передавать сигнал тревоги при выходе значения сопротивления шлейфа за заданные пределы
Технические характеристики Сигма-ИС Армини исп.П "Рубикон"
- Ток потребления, максимальное значение, мА 0,2
- Количество в шлейфе максимальное (при соблюдении общего бюджета по току) 255
- Максимальное (активное) сопротивление проводов безадресного ШС, Ом 100
- Минимальное сопротивление изоляции проводов безадресного ШС, кОм 20
- Максимальное напряжение в безадресном ШС, не более, В 5
- Максимальный ток безадресного ШС, не более, мА 10Значение времени срабатывания при нарушении безадресного шлейфа (может дистанционно настраиваться), с:
- по умолчанию 0,2
- - диапазон регулировки 0.05..3
- Время выхода на рабочий режим после включения питания, не более, с 200
- >Степень защиты от воздействия окружающей среды по ГОСТ 14254-96 IP30/IP65 (АРмини-П)
- Диапазон рабочих температур, °С минус 40...+60
- Рабочий диапазон значений относительной влажности воздуха (максимальное значение соответствует температуре +25°С, без конденсации влаги) 0...93%
- Габаритные размеры, мм 135х101х55
- Масса, кг, не более 0,3








