Тахион ТВК-81-IP-8Г-V410-PoE+ Ex

адаптировано для
Российских условий

на все товары
Описание Тахион ТВК-81-IP-8Г-V410-PoE+ Ex
Видеокамера сетевая наружной установки ТВК-81-IP-8Г-V410-PoE+ Ex предназначена для визуального (на экране монитора) наблюдения охраняемых (контролируемых) объектов во взрывоопасных зонах классов 1, 2, 21 и 22 (при классификации по зональному принципу), где возможно образование взрывоопасной смеси группы I и взрывоопасных газовых смесей подгрупп IIА, IIВ, IIC, пылевых сред подгрупп IIIА, IIIВ, IIIC, температурных классов Т1-Т6 или взрывоопасные зоны класса В-I, В-Iа, В-Iб, В-Iг, согласно главе 7.3 «Правил устройства электроустановок» (ПУЭ).
Видеокамера произведена в термокожухе ТГБ-8Г Ex, выполненном в виде взрывонепроницаемой оболочки по ГОСТ 31610.0 (IEC 60079-0), ГОСТ IEC 60079-1, ГОСТ IEC 60079-31 с маркировкой взрывозащиты РВ Ех db I Mb X / 1Ех db IIC Т6 Gb Х / Ех tb IIIC Т80°C Db cо степенью защиты IP66/IP68, обеспечиваемой оболочкой, и по уровню защиты относится к взрывобезопасному электрооборудованию.
Видеокамера обеспечивает:
- автоматическое включение/отключение встроенного обогревателя в заданном диапазоне температур;
- безаварийное включение электропитания IP-видеокамеры при отрицательной температуре внутри термокожуха при перерывах в электропитании, исключая выход IP-видеокамеры из строя при запуске;
- охлаждение IP-видеокамеры при повышенных температурах (встроенный вентилятор).
Модуль IP-видеокамеры изолирован от корпуса термокожуха. Смотровое окно выполнено из ударопрочного калёного стекла. Видеокамера выпускается по техническим условиям ТУ 26.30.50-083-31006686-2021.
Видеокамера соответствует:
- техническим требованиям – ГОСТ Р 51558;
- требованиям безопасности – ГОСТ Р МЭК 60065;
- требованиям ЭМС – ГОСТ Р 50009, ГОСТ 30804.3.2, ГОСТ 30804.3.3;
- III классу степени защиты от поражения электрическим током по ГОСТ 12.2.007.0;
- климатическому исполнению – УХЛ1, 5 по ГОСТ 15150;
- степени защиты – IP66/IP68 по ГОСТ 14254.
ГАБАРИТНЫЕ И УСТАНОВОЧНЫЕ РАЗМЕРЫ:
| 1. | Видеокамера серии ТВК |
| 2. | Кронштейн |
| 3. | Солнцезащитный козырёк |
| 4. | Кабельный ввод для небронированного кабеля – Ø кабеля 3,1–8,6* мм – 2 шт. |
| 4.1. | Держатель металлорукава (РЗ-ЦХ-12 или МРПИ-12 – Øвн./ Øнар=12/15 мм) |
| 5. | Шарнир |
| 5.1 | Болты фиксации шарнира М6 – 4 шт. |
| 5.2 | Винты фиксации шарнира М4 с цилиндрической головкой S=3 мм – 2 шт. |
| 5.3 | Болт и гайка фиксации шарнира |
| 6 | Клемма заземления |
* Кабельные вводы для кабелей другого диаметра и других металлорукавов, а также для бронированных кабелей устанавливаются по отдельной заявке.
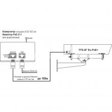
СХЕМА ПОДКЛЮЧЕНИЯ:
ПРИМЕРЫ ПОДКЛЮЧЕНИЯ ВИДЕОКАМЕР:
СТРУКТУРА УСЛОВНОГО ОБОЗНАЧЕНИЯ ВИДЕОКАМЕРЫ:
Технические характеристики Тахион ТВК-81-IP-8Г-V410-PoE+ Ex
| Модель встроенной видеокамеры | Evidence Apix Box/S2 Expert (III) | |
| Разрешение | 1920х1080 (2 Мр) | |
| Чувствительность | 0,001 лк (цвет)/ 0,0001 лк (ч/б) | |
| Объектив | 4-10 мм | |
| Напряжение питания | IEEE 802.3at (PoE+) (см. таблицу ниже) | |
| Passive PoE 48…56 В (см. таблицу ниже) | ||
| Стандарты IP-видеокамеры | Ethernet 10/100BASE-TX | |
| IEEE 802.3af | ||
| Напряжение / ток внутреннего источника питания для доп. устройства | – | |
| Температура вкл./откл. обогрева | +20°С±3°С / +25°С±3°С | |
| Температура вкл./откл. холодного запуска | -10°С±3°С / -15°С±3°С | |
| Максимальная рабочая дальность | 100 м (см. таблицу ниже) | |
| Потребляемая мощность, не более | 25 Вт | |
| Диапазон температуры окружающей среды при эксплуатации | -60°С … +50°С | |
| Влажность воздуха | до 100% при +25°С | |
| Устойчивость к несанкционированным действиям (НСД) | II (средняя) по ГОСТ Р 51558 | |
| Устойчивость к низким температурам | III (высокая) по ГОСТ Р 51558 | |
| Устойчивость к внешним воздействиям | III (высокая) по ГОСТ Р 51558 | |
| Степень защиты оболочки | IP66/IP68 по ГОСТ 14254 | |
| Устойчивость к импульсным помехам по цепям Ethernet | класс 2 по ГОСТ Р 51317.4.5 | |
| Материал корпуса | нержавеющая кислотостойкая аустенитная сталь | |
| Габаритные размеры | см. рисунок | |
| Масса с упаковкой, не более | 8 кг | |
| Режим работы | круглосуточный | |
Температура окружающей среды, при которой гарантирован холодный запуск видеокамеры в зависимости от длины линии и напряжения на выходе источника питания:














