Сигма-ИС А2ДПИ "Рубикон" без базы

Оборудование
адаптировано для
Российских условий
адаптировано для
Российских условий

Гарантия до 10 лет
на все товары
на все товары
Описание
Описание Сигма-ИС А2ДПИ "Рубикон" без базы
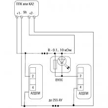
Адресно-аналоговый дымовой пожарный извещатель Сигма-ИС А2ДПИ "Рубикон" без базы работает в двухпроводном адресном шлейфе «Рубикон» под управлением контроллера адресного шлейфа ППК или КА2.
Сигма-ИС А2ДПИ "Рубикон" без базы обеспечивает:
- постоянное измерение абсолютного значения оптической плотности
- контроль запыленности и адаптацию к изменению запыленности оптической камеры в заданных пределах
- контроль деградации элементов и адаптацию к изменению чувствительности измерительной цепи в заданных пределах
- контроль наличия электромагнитных помех и адаптацию алгоритма работы к уровню помех (с изменением быстродействия и, возможно, чувствительности);
- контроль температуры внутри схемы извещателя и адаптацию алгоритма работы для поддержания стабильной чувствительности
- самоконтроль основных параметров электрической схемы
Сигма-ИС А2ДПИ "Рубикон" без базы осуществляет постоянный двусторонний обменданными с контроллером адресного шлейфа, что позволяет:
- контролировать наличие связи
- считывать состояние параметров А2ДПИ, в том числе значение оптической плотности дыма в оптической камере
- дистанционно задавать основные параметры работы извещателя (в т.ч. чувствительность и пределы адаптации к изменениям)
- вне очереди передавать сигнал тревоги при превышении измеряемого значения заданного порога
- вне очереди передавать сигнал неисправности при выходе параметров работы за заданные пределы
Сигма-ИС А2ДПИ "Рубикон" без базы имеет встроенный индикатор (один) красного цвета, возможная индикация:
- дежурный режим (на связи): короткие вспышки с периодом 5-15 сек
- тревога (индикация по команде контроллера шлейфа): квазинепрерывное свечение (вспышки с частотой 10-40 Гц)
Технические характеристики Сигма-ИС А2ДПИ "Рубикон" без базы
- Ток потребления, максимальное значение, мА 0,15
- Диапазон рабочих температур, С минус 40...+60
- Степень жесткости требований электромагнитной совместимости не ниже 3-й
- Относительная влажность окружающей среды, % 0...93
- Время выхода на рабочий режим после включения питания, не более, с 200
- Степень защиты оболочки IP41
- Степень защиты оболочки с защитной накладкой «зонт» IP42
- Габариты, мм 103х103х47
- Масса, кг, не более 0,15


