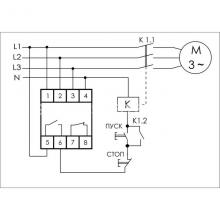
Реле контроля наличия и чередования фаз CKF-BT (монтаж на DIN-рейке 35мм; микропроцессорный; регулировка порога отключения и времени отключения; контроль верхнего и нижнего значений напряжения; 3х400/230+N 2х8А 1Z 1R IP20) F&F EA04.002.004

Оборудование
адаптировано для
Российских условий
адаптировано для
Российских условий

Гарантия до 10 лет
на все товары
на все товары
Описание
Описание Реле контроля наличия и чередования фаз CKF-BT (монтаж на DIN-рейке 35мм; микропроцессорный; регулировка порога отключения и времени отключения; контроль верхнего и нижнего значений напряжения; 3х400/230+N 2х8А 1Z 1R IP20) F&F EA04.002.004
Технические характеристики Реле контроля наличия и чередования фаз CKF-BT (монтаж на DIN-рейке 35мм; микропроцессорный; регулировка порога отключения и времени отключения; контроль верхнего и нижнего значений напряжения; 3х400/230+N 2х8А 1Z 1R IP20) F&F EA04.002.004
Глубина: 65ммВысота: 90ммШирина: 35ммМаксимально допустимое время задержки: 15сМинимальное регулируемое время задержки: .5сКоличество замыкающих контактов: 1Количество размыкающих контактов: 1Функция обнаружения асимметрии фаз: ДаФункция обнаружения перенапряжения: ДаФункция обнаружения пониженного напряжения: ДаФункция обнаружения обрыва фазы: ДаФункция контроля порядка чередования фаз: Да


