ИВС-сигналспецавтоматика ИП-212-43М (ДИП-43М)

адаптировано для
Российских условий

на все товары
Описание ИВС-сигналспецавтоматика ИП-212-43М (ДИП-43М)
Автономные извещатели ИВС-сигналспецавтоматика П-212-43М (ДИП-43М) предназначены для применения в жилых и иных аналогичных помещениях для обнаружения задымленности и подачи тревожных извещений в виде громких звуковых сигналов. В извещателях ИП212-43М применена горизонтально-вентилируемая оптическая камера. Для осуществления контроля работоспособности извещателя, между платой и основанием располагается подпружиненный рычаг, который вводится в оптическую камеру путем нажатия кнопки на лицевой стороне корпуса. Оптическая камера защищена от проникновения насекомых мелкоячеистой металлической сеткой, соединенной с потенциалом схемы, что делает ее нейтральной по отношению к заряженным частичкам дыма, и они беспрепятственно проникают внутрь оптической камеры. Кроме этого сетка является дополнительным электрическим экраном, образующей с элементами питания извещателя замкнутый контур, надежно защищающий электрическую схему и оптическую камеру от электромагнитных помех.
С тыльной стороны извещателей ИП212-43М располагаются 4 элемента питания типа ААА, а также монтажная колодка для объединения извещателей в группу, которые закрыты крышкой, являющейся монтажной и необходимой для крепления извещателя к строительным конструкциям
Алгоритм работы извещателя в дежурном режиме построен по принципу: пауза – контроль – обработка – пауза, при этом пауза составляет 4,5 с. В цикле «контроль» извещатель тестирует оптическую камеру, шлейф (при наличии) и собственный источник питания. Если при обработке будет обнаружено превышение порога срабатывания по дыму или наличие тревожного сообщения в шлейфе, то извещатель уменьшает паузу с 4,5 с до 45 мс и при 8-ми кратном обнаружении сигнала «Пожар» или 4-х кратном обнаружении сигнала «Внешняя тревога» (сопротивление между проводами линии не более 1 кОм) окончательно фиксирует соответствующее состояние, после этого происходит прерывание основной программы для выдачи тревожного извещения.
Извещение «Пожар» выдается в виде серии длительных тонально-модулированных звуковых сигналов с включением оптического индикатора в паузах между ними, а также в виде уменьшения сопротивления выходной цепи для подключения шлейфа до величины не более 500 Ом. Извещение «Внешняя тревога» выдается в виде серии длительных однотонных звуковых сигналов с включением оптического индикатора в паузах между ними. В случае одновременного обнаружения сигнала «Пожар» и сигнала «Внешняя тревога» приоритетным будет сигнал «Пожар». Если при обработке будет обнаружено превышение порога «Внимание» (75% от порога срабатывания по дыму) или уменьшение напряжения питания ниже минимально допустимого значения, то это будет зафиксировано в памяти, а алгоритм работы останется прежним (с длинными паузами). Один раз в минуту извещатель формирует сигнал наличия питания в виде кратковременного включения оптического индикатора, одновременно он проверят состояние памяти по сигналам «Внимание» и «Разряд батареи». Если в течение последней минуты, какой либо из этих сигналов был зафиксирован не менее 8-ми раз, то извещатель прерывает основную программу для выдачи соответствующего извещения.
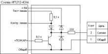
Извещение «Внимание» выдается в виде серии кратковременных тонально-модулированных звуковых сигналов (сопротивление выходной цепи при этом не уменьшается), а извещение «Разряд батареи» - в виде однократного кратковременного однотонного сигнала. Извещение «Внимание» имеет приоритет по отношению к извещению «Разряд батареи» и оба они имеют более низкий статус по отношению к извещениям «Пожар» и «Внешняя тревога» приведена на рисунке.
Технические характеристики ИВС-сигналспецавтоматика ИП-212-43М (ДИП-43М)
- Напряжение питания извещателя (4 элемента ААА), В от 4,5 до 6,5
- Чувствительность извещателя, дБ/м от 0,05 до 0,2
- Ток потребления в дежурном режиме, мкА, не более 20
- Уровень громкости звукового сигнала «Пожар» на расстоянии 1 м от извещателя, дБ, не менее 98
- Габаритные размеры, мм, не более Ф 100x49
- Масса, кг, не более 0,2
- Диапазон рабочих температур извещателя, °С от минус 10 до +55
- Средний срок службы, лет, не менее 10
- Максимально-допустимая защищаемая площадь одним извещателем, м2 85
Комплектность:
- Извещатель пожарный автономный ИП212-43М «ДИП-43М» 1
- Комплект монтажных частей и принадлежностей: шуруп 3х20 2 дюбель S 5х25 2 элемент питания R03 (ААА) 4
- Руководство по эксплуатации 1







