Beward BD4780DVZ

адаптировано для
Российских условий

на все товары
Описание Beward BD4780DVZ
Антивандальная 5 Мп IP-камера BD4780DVZ с аппаратным WDR (Double Scan) и моторизованным объективом имеет потрясающие возможности видеонаблюдения. Эксплуатация от -55°C при любом типе питания, в том числе, по технологии PoE. Функция безопасный «холодный старт» и встроенная система обогрева обеспечивают бескомпромиссную надежность видеосистемы.
Революционный кодек H.265: до 50% прироста эффективности сжатия Формат сжатия H.265 стандарта HEVC (высокоэффективное кодирование видеосигнала) позволяет в 2 раза увеличить степень сжатия цифровых видеоданных без потери качества изображения. Там, где из соображений экономии битрейта изображение сжималось кодеком Н.264 заведомо чрезмерно, и артефакты компрессии мешали эффективному считыванию деталей операторами и видеоаналитикой, теперь можно получить лучшее визуальное качество. Благодаря революционному кодеку H.265 видео высокого разрешения занимает меньше места в архиве, а информативность видеонаблюдения резко возрастает. Экономное использование сетевых ресурсов и снижение требований к ёмкости видеоархива обеспечивают привлекательность нового формата, сильно снижая стоимость владения системой видеонаблюдения.
Всегда четкое изображение с технологией P-Iris Технология P-Iris позволяет IP-камере BD4780DVZ формировать максимально четкое изображение при различных уровнях освещенности, чего не могут обеспечить традиционные способы автоматического управления диафрагмой объектива. Технология BD4780DVZ подразумевает автоматическую подстройку оптимального раскрытия диафрагмы таким образом, чтобы видеоизображение формировалось хорошо различимым, с высокой четкостью и большой глубиной резкости. При небольших изменениях освещенности IP-камеры с поддержкой P-Iris могут подстраивать экспозицию электронными способами, чтобы оптимальный уровень диафрагмы поддерживался как можно дольше.
Уличное исполнение и высокая степень защищенности Уличная IP-камера BD4780DVZ безотказно работает в широком диапазоне температур (от -55 до +50°C) при любом типе питания, в том числе, при подключении по PoE. А в случае перебоев в подаче питания функция безопасный «холодный старт» обеспечивает штатное включение IP-камеры в работу после предпускового прогрева. Герметичный металлический корпус BD4780DVZ надежно защищает камеру от внешних атмосферных воздействий (пыль, вода) в соответствии со стандартом IP66. IP-камера BD4780DVZ рекомендована для эксплуатации в холодном климате.
Встроенная система обогрева Одно из важных преимуществ IP-камеры BEWARD BD4780DVZ – наличие встроенной системы обогрева. Это обеспечивает не просто работоспособность камеры в заявленном диапазоне температур от -55 до +50°С, но и сохранение всех характеристик. Зачастую сильное охлаждение камеры приводит к расфокусировке изображения и, как следствие, к снижению детализации изображения. Также на морозе может происходить запотевание объектива и налипание на него снега. Данный факт еще раз доказывает значимость дополнительного обогрева в камере при построении профессиональных систем видеонаблюдения, которые предназначены для гарантированного решения поставленных задач.
Двойное сканирование (Double Scan) Аппаратный 2-кратный расширенный динамический диапазон (Double Scan, 2xWDR) позволяет вести видеонаблюдение при неравномерном освещении объекта. Данная технология основана на принципе получения 2 кадров с разной выдержкой электронного затвора с последующим суммированием этих кадров. Таким образом удается получить высококачественное изображение в сложных условиях: при установке напротив окна либо дверного проема в помещении, против солнца, в зоне видимости ярких источников света (ламп освещения, автомобильных фар), а также при наличии затемненных участков в зоне наблюдения (тень здания, ограждения и т.д.).
ИК-светодиоды III поколения Камера BD4780DVZ оснащена ИК-светодиодами III поколения, которые отличаются увеличенным ресурсом работы и высокой стабильностью параметров в сравнении с обычными. Эффективность светодиодов III поколения так высока, что каждый из них заменяет 15-20 обычных, поэтому достаточно 8 светодиодов, чтобы обеспечить данной модели камеры дальность ИК-подсветки до 50 м.
Эксплуатационные характеристики 3D-регулировка объектива для выбора направления обзора позволяет устанавливать эту IP-видеокамеру на любые вертикальные или горизонтальные поверхности без специальных кронштейнов. Профессиональное ПО BEWARD.
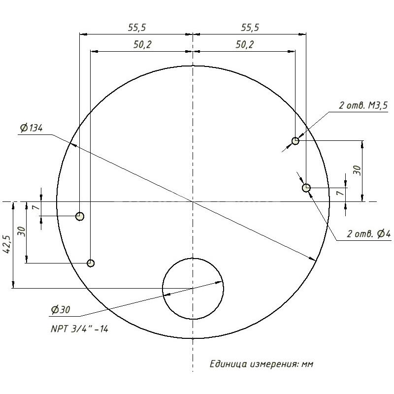
Особенности 5 Мп КМОП-сенсор нового поколения Антивандальная IK10, уличное исполнение, IP66, от -55 до +50°C Штатное включение во всем диапазоне рабочих температур (безопасный «холодный старт») Аппаратный 2-кратный расширенный динамический диапазон 2xWDR до 120 дБ Моторизованный объектив с АРД P-Iris 3D-регулировка объектива ИК-подсветка с дальностью работы до 50 м Цифровая система шумоподавления (2D/3DNR) Одновременное кодирование до 4 потоков в форматах H.265, Н.264 High Profile и MJPEG Детекция движения, звука и тревожных событий Запись на сетевое хранилище NAS или карту памяти microSDXC (до 128 ГБ) Эксплуатация от -55°C при любом типе питания: PoE / 12 В / 24 В
Технические характеристики Beward BD4780DVZ
Сенсор 5 Мп, КМОП 1/2.7", День/Ночь Чувствительность 0.04 лк (день) / 0.004 лк (ночь) / 0.001 лк (DSS) Объектив Моторизованный, 2.7-12 мм, F1.3, АРД (P-Iris) Угол обзора От 31.5 до 102.1° (по горизонтали), от 22.7 до 70.3° (по вертикали) Регулировка угла наклона 3D-регулировка, механически, от -45 до 45° (по горизонтали), от 0 до 100° (по вертикали) Минимальное рабочее расстояние 1 м Увеличение Оптическое: 4х; цифровое: 10х WDR Аппаратный 2-кратный (до 120 дБ) Шумоподавление 2D/3DNR Скорость затвора От 1/3 до 1/10000 сек. (автоматически, вручную) Дополнительно Механический ИК-фильтр, прогрессивное сканирование Видео Формат сжатия H.265, H.264, Motion JPEG Видеопоток Одновременное кодирование: H.265/H.264, Н.264/MJPEG, H.264/H.264, H.265/H.265 (до 4 потоков) Зоны просмотра До 4х зон просмотра Разрешение 2688x1944, 2592x1944, 2688x1512, 1920x1080, 1280x1024, 1280x720, 1024х768,800x600,720x576,640x480 Скорость кадров До 25 (30) к/с Скорость передачи До 20480 кбит/с Параметры изображения Яркость, контрастность, четкость, насыщенность, оттенок, видеомаска (до 5 зон), поворот, отражение, BLC, HLC, АРУ, баланс белого (AWB, авто, вручную) Титры Текст, дата, время Аудио Аудиовыход 1 канал, линейный (регулировка усиления) Аудиовход 1 канал, линейный/микрофонный (регулировка усиления), 10 кОм Компрессия G.711, G.726, LPCM Дополнительно Дуплекс, полудуплекс, симплекс Подсветка Подсветка ИК-светодиоды III поколения (8 шт.) Управление По датчику освещенности, вручную Длина волны 850 нм Дальность До 50 м Сеть и интерфейсы Сетевой интерфейс 10Base-T/100Base-TX Ethernet порт Сетевые протоколы TCP/IP, IP v4/v6, HTTP, HTTPS, FTP, SMTP, DNS, DDNS, DHCP, PPPoE, POP3, UPnP, RTSP, SNMP v1/v2/v3, QoS, 802.1x EAP-TLS, UDP, NTP, IGMP, ICMP, SSL, ARP, IEEE 802.1x, ONVIF S/G/T/Q, Multicast, Port Mapping Вход тревоги 1 канал, режим NO или NC Выход тревоги 1 канал, высокий/низкий уровень сигнала Соединение DHCP, статический адрес Шифрование IEEE 802.1X/EAP-TLS Безопасность Многоуровневый доступ с защитой паролем, фильтр по IP Пользователи До 20 учетных записей с настройкой функционала Дополнительно Поддержка карт microSDXC (до 128 ГБ) Запись и события События Детекция движения (регулировка чувствительности и порога срабатывания), детекция звука, антисаботаж, тревожный вход, сетевая ошибка Детекция движения 4 независимых детектора (по 10 настраиваемых зон детекции в каждом) Отправка по почте Кадры, уведомление Запись на FTP Кадры, уведомление: по событию, по расписанию, периодически Запись на NAS, карту памяти Видео и аудио: постоянно, по событию, по расписанию Эксплуатация Питание 12 В (DC), 24 В (AC), PoE IEEE 802.3 af Class 3 Потребляемая мощность До 15 Вт (12 В), до 15 Вт (24 В), до 13 Вт (PoE) Рабочий диапазон температур От -55 до +50°С Холодный старт От -55°С Обгорев Есть Класс защиты IP66, IK10 Исполнение Антивандальный корпус, уличное исполнение Допустимый уровень влажности От 10 до 90% Размеры (дхв) ∅134х118 мм Вес 760 г (нетто) Управление Веб-интерфейс, профессиональное бесплатное ПО (в комплекте) Системные требования Internet Explorer 11.х или выше в среде Microsoft Windows 10/8/7 Комплектация Комплект поставки IP-камера (с установленным объективом) Терминальный разъем Комплект крепежа Упаковочная тара Внимание! Источник питания в комплект поставки не входит и приобретается отдельно.


