Тахион ТШ-60.60.35.200

адаптировано для
Российских условий

на все товары
Описание Тахион ТШ-60.60.35.200
Термошкаф ТШ-60.60.35.200 предназначен для установки в нём телевизионного либо другого электронного оборудования и поддержания заданного температурного режима при эксплуатации этого оборудования.
Термошкаф оборудован:
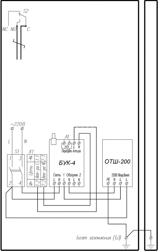
- блоком управления климатом (БУК-4), предназначенным для управления холодным запуском аппаратуры, установленной в термошкафу, а также системой обогрева;
- обогревателем термошкафов ОТШ-200, оборудованным встроенным биметаллическим выключателем, ограничивающим температуру поверхности радиатора до +90 °С;
- тамперным контактом для сигнализации о несанкционированном доступе.
Термошкаф выпускается по техническим условиям ТУ 26.30.50-077-31006686-2017. По способу защиты человека от поражения электрическим током термошкаф соответствует классу I по ГОСТ 12.2.007.0-75.
Климатическое исполнение термошкафа соответствует УХЛ1, 5 ГОСТ 15150-69. Степень защиты IP 66.
Технические характеристики Тахион ТШ-60.60.35.200
Питание термошкафа: – напряжение питания 220 В AC, 50 Гц – максимальный ток нагрузки 6 А Обогрев: – напряжение питания 220 В AC, 50 Гц – потребляемая мощность 218 Вт Диапазон рабочих температур -60 °С ÷ +50 °С Диапазон регулирования температуры в термошкафу -20 °С ÷ +15 °С Температура срабатывания тепловой защиты +30°С Температура срабатывания аварийной сигнализации +70°С Диапазон регулирования температуры холодного запуска аппаратуры -30 °С ÷ +5 °С Габаритные размеры (без гермовводов) ШхВхГ 600 х 600 х 350 мм Вес c упаковкой (не более) 32 кг Гермоввод PBA29-25 — Ø кабеля 18-25 мм 3 шт.





