Тахион УЗП2-220/L-PE/20

адаптировано для
Российских условий

на все товары
Описание Тахион УЗП2-220/L-PE/20
Устройство защиты электрооборудования распределительных сетей 220 (230) В AC от импульсных перенапряжений УЗП2-220/L-PE/20 предназначено для защиты оборудования, подключённого к линиям электропитания переменного тока 220 (230) В, от наведенных напряжений, вызванных электромагнитными импульсами высоких энергий (грозовыми, электростатическими разрядами и т.д.).
УЗП2-220/L-PE/20 – однополюсное устройство защиты ограничительного типа класса испытаний II, по техническим и эксплуатационным характеристикам удовлетворяющее требованиям ГОСТ IEC 61643-11, ГОСТ 30011.1, ГОСТ Р 50571-4-44, ГОСТ Р 50571.5.53.
УЗП2-220/L-PE/20 применяется в сетях с системой заземления TN-S (TN-C-S), ТТ и устанавливается в пределах 1 - 2 зон молниезащиты (в соответствии с МЭК 61312-1, МЭК 62305). Для сетей с системами заземления TN-C применяются УЗП2-220/L-PEN/20(С) и УЗП2-220К/3L-PEN/20(С).
УЗП2-220/L-PE/20 имеет механический индикатор состояния отказа, при срабатывании которого устройство необходимо заменить.
Степень защиты IP20 в соответствии с ГОСТ 14254. Конструктивно УЗП2-220/L-PE/20 выполнено в корпусе из трудногорючего пластика с креплением на 35мм DIN-рейку.
УЗП2-220/L-PE/20 выпускается по техническим условиям ТУ 26.30.50-077-31006686-2017.
ГАБАРИТНЫЕ И УСТАНОВОЧНЫЕ РАЗМЕРЫ:
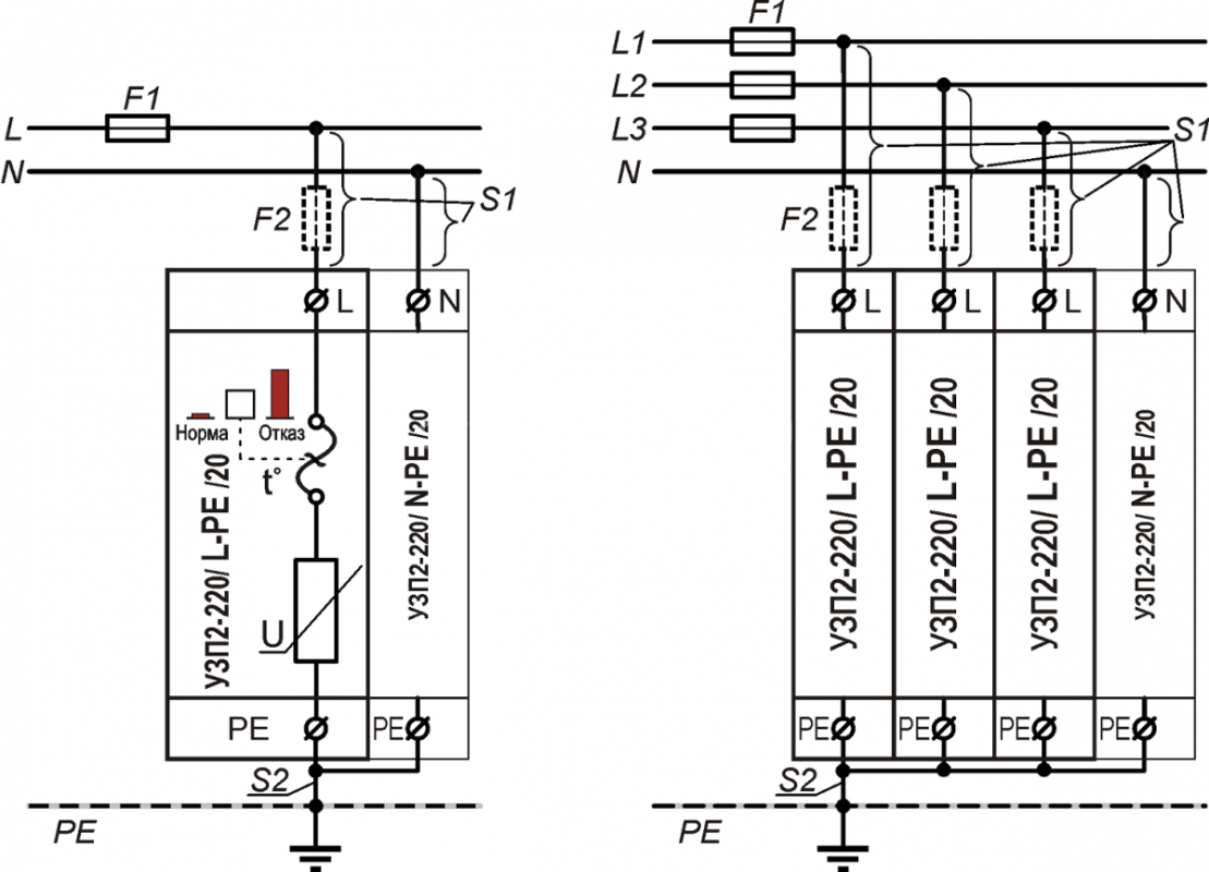
ПОДКЛЮЧЕНИЕ:
ВНИМАНИЕ:
При подключении УЗП2-220/L-PE/20 необходимо убедиться, что в фазном проводе на распределительном щите имеется токовый предохранитель класса gG с номиналом не более 125А (F1). Если F1>125А, необходимо установить токовый предохранитель класса gG F2≤125А.
Технические характеристики Тахион УЗП2-220/L-PE/20
Номинальное рабочее напряжение (Un) ~230 В / 50 Гц Максимальное длительное рабочее напряжение (Uc) ~275 В / 50 Гц Классификационное напряжение при 1мА, не более ~473 В / 50 Гц Номинальный разрядный ток при tимп. 8/20мкс (In) 20 кА Максимальный разрядный ток при tимп. 8/20мкс (Imax) 40 кА Уровень напряжения защиты при In, (Up), не более 1,5 кB Время срабатывания, менее 25 нсек Сечение подключаемых проводов, мм2 – жесткий одножильный 2,5÷35 мм2 – гибкий многожильный 2,5÷16 мм2 Диапазон рабочих температур -55…+80 °С Габаритные размеры, (ДхВхШ) 92 х 63 х 17,8 мм Вес в упаковке 90 г






