Тахион УЗП2-220/L-PE/20С

адаптировано для
Российских условий

на все товары
Описание Тахион УЗП2-220/L-PE/20С
Устройство защиты электрооборудования распределительных сетей 220 (230) В AC от импульсных перенапряжений УЗП2-220/L-PE/20С предназначено для защиты оборудования, подключённого к линиям электропитания переменного тока 220 (230) В, от наведенных напряжений, вызванных электромагнитными импульсами высоких энергий (грозовыми, электростатическими разрядами и т.д.).
УЗП2-220/L-PE/20С – однополюсное устройство защиты ограничительного типа класса испытаний II, по техническим и эксплуатационным характеристикам удовлетворяющее требованиям ГОСТ IEC 61643-11, ГОСТ 30011.1, ГОСТ Р 50571-4-44, ГОСТ Р 50571.5.53.
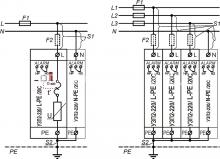
УЗП2-220/L-PE/20С применяется в сетях с системой заземления TN-S (TN-C-S), ТТ и устанавливается в пределах 1 - 2 зон молниезащиты (в соответствии с МЭК 61312-1, МЭК 62305). Для сетей с системами заземления TN-C применяются УЗП2-220/L-PEN/20(С) и УЗП2-220К/3L-PEN/20(С).
УЗП2-220/L-PE/20С имеет механический индикатор и дистанционную сигнализацию состояния отказа, при срабатывании которых устройство необходимо заменить.
Степень защиты IP20 в соответствии с ГОСТ 14254. Конструктивно УЗП2-220/L-PE/20С выполнено в корпусе из трудногорючего пластика с креплением на 35мм DIN-рейку.
УЗП2-220/L-PE/20С выпускается по техническим условиям ТУ 26.30.50-077-31006686-2017.
ГАБАРИТНЫЕ РАЗМЕРЫ
Технические характеристики Тахион УЗП2-220/L-PE/20С
Номинальное рабочее напряжение (Un) ~230 В / 50 Гц Максимальное длительное рабочее напряжение (Uc) ~275 В / 50 Гц Классификационное напряжение при 1мА, не более ~473 В / 50 Гц Номинальный разрядный ток при tимп. 8/20мкс (In) 20 кА Максимальный разрядный ток при tимп. 8/20мкс (Imax) 40 кА Уровень напряжения защиты при In, (Up), не более 1,5 кB Время срабатывания, менее 25 нсек Сечение подключаемых проводов, мм2 – жесткий одножильный 2,5÷35 мм2 – гибкий многожильный 2,5÷16 мм2 Контакты дистанционной сигнализации (только УЗП2-220/L-PE/20С): – максимальный коммутируемый ток 3 А – максимальное коммутируемое напряжение 250 В – сечение подключаемых проводов, не более 2,5 мм2 Диапазон рабочих температур -55…+80 °С Габаритные размеры, (ДхВхШ) 92х74,5х17,8 мм Вес в упаковке 90 г





